國標《新版危險化學品重大危險源辨識》(GB18218-2018)于2018年11月19日發布,將于2019年3月1日實施。該標準的發布引起行業高度關注。那么,相較于2009版,新修訂的標準有哪些變化?對此,CCSA有關專家表示,新版危險化學品重大危險源辨識的修訂主要集中以下幾方面。
**先,封面上“危險化學品重大危險源辨識”的英譯有所變化,“危險”由“dangerous ”變為“hazardous ”,根據專家的解釋,前者是指處于危險狀態,(自己處于危險就用be in danger),后者指那個東西對我(說話主體)有危害,本身危險與否并不知道,因此,hazardous比較符合安全生產中對“危險”的定義。
其次,標準依據由原來的《危險貨物品名表》(GB12268)、《化學品分類、**示標簽和**示性說明安全規范》(GB20592-2006)變為《化學品分類和標簽規范》系列**標準,GB30000.2、GB30000.5……等等,《化學品分類和標簽規范》是通過分類確定一種危險化學品的固有危險性,并在生產、儲存、運輸、經營、使用等全生命周期將該危險性通過標簽和安全技術說明書準確傳達給作業場所的勞動者、消費者及社會公眾,確保他們了解化學品的危險性和防護措施,以及如何在發生事故時進行安全處置。這個變化意味著在做重大危險源辨識評價時需要更細致、認真,也會帶來工作量一定程度增加。
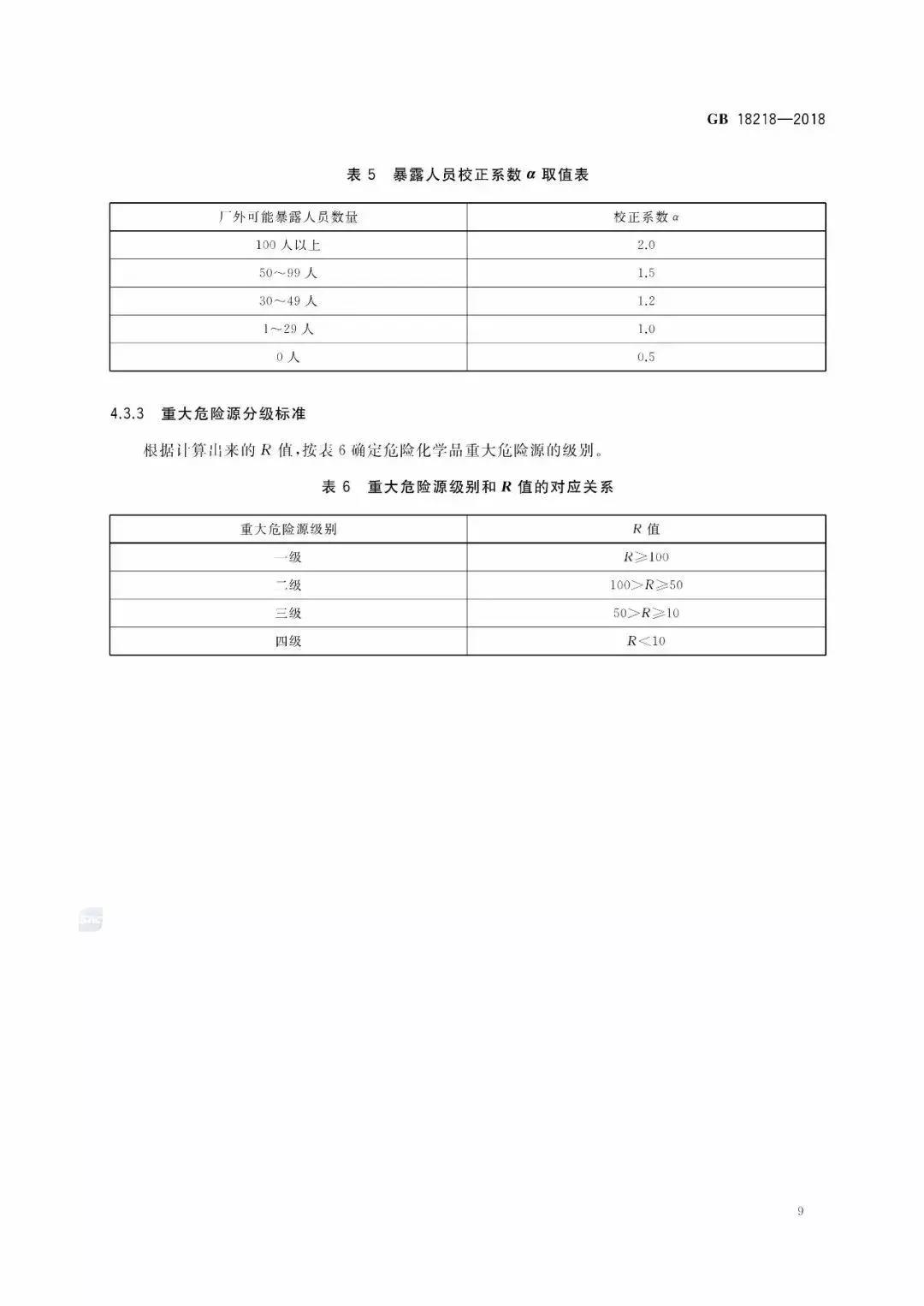
對重大危險源的分類,專家表示,老版標準對單元的劃分是**距離范圍內的裝置、**、場所,這種劃分方式有其不合理之處,定義相對模糊簡單。新版則解決了此問題,定義更加科學合理,可操作性增強。將重大危險源分為生產單元和儲存單元分別辨識,生產單元包括生產裝置和**,以切斷閥作為分割界限劃分為**的單元;儲存單元包括儲罐區和倉庫,儲罐區以罐區防火堤為界限劃分為**的單元,倉庫以**庫房(**建筑物)為界限劃分為**的單元。同時,還在附錄A中給出了重大危險源辨識流程圖。

































